DIY 3D Printer + Arduino Due + Marlin Kimbra + Ultimaker 3 Extended

Nextion Firmware   MK4duo 3D Printer Firmware   Ultimaker 3 Extended hardware source   Ultimaker Shield  

DIY Ultimaker 3 4 Extended ++

DIY Ultimaker 3 4 Extended ++ 3D printer overview


1. 6 panels h=h+40mm (215x215x340mm printing area).

Panels overview for the DIY Ultimaker 3 4 Extended ++ 3D printer


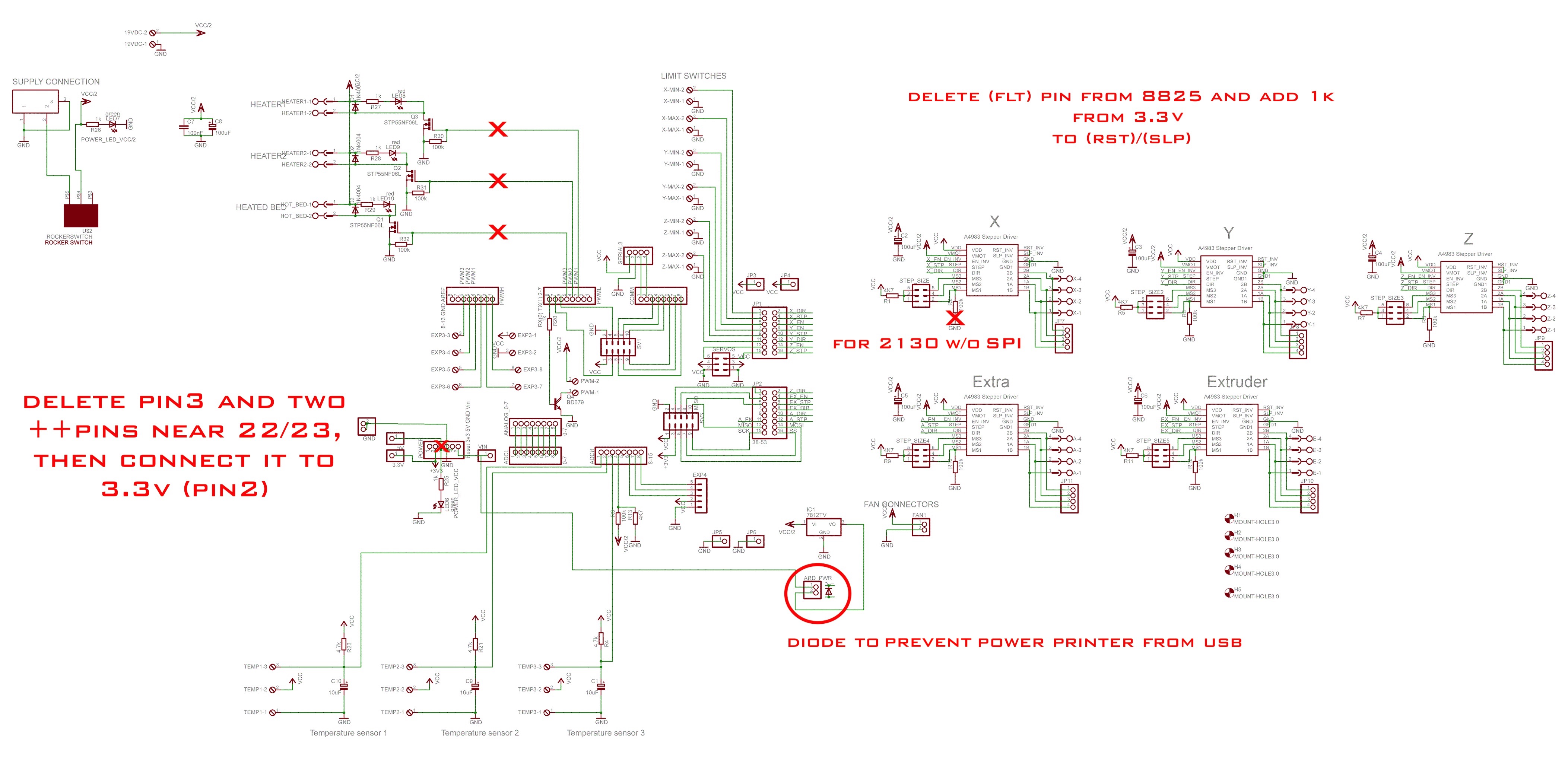
2. Parts.

Parts overview for the DIY Ultimaker 3 4 Extended ++ 3D printer


3. Arduino Ultimaker Shield - modified for Arduino Due.

Arduino Ultimaker Shield modified for Arduino Due


4. Delete two 5V power pins.

Two 5V power pins marked red for removal on a board


5. Delete pin3 and connect 3.3V from pin2 to ++ pins.

Shows pin locations for instructions above


6. Delete wiring from d2/d3/d4 pins (Attention: 24V).

Shows d2/d3/d4 pin locations


7. Mount three Level Shitter (PC817).

Circuit diagram for mounting three Level Shitter (PC817)


8. Mount EEPROM.

Circuit diagram for mounting EEPROM


9. And connect Nextion 3.2 display to comm3 (GND/RX/TX) and 5V.

Nextion display connection


10. Connect three wires to SD card slot (MISO/MOSI/SCK) CS(SDSS) to d53.

SD card slot connection to Arduino Due


11. 3.3v from Nextion to SD (GND to GND).

3.3v connection from Nextion to SD


12. 1k for DRV8825 (delete fault pin from driver).

1k resistors for DRV8825


13. DRV8825.

DRV8825 connection diagram


14. Set current before motor connection (for extruder 16 microstep max).

Current setting diagram


15. TMC2130 for silent X/Y without spi 16 microstep (remove all jumpers and 100k ground resistor) (en/dir/step for protection can be connected through 390 Om).

TMC2130 diagram and voltage/current formulas


16. Make protection for TMC drivers.

TMC protection diagram


17. Ultimaker Shield - modification reference.

Modification reference for Ultimaker Shield


18. Write Nextion Firmware to MicroSD and flash it.

Nextion firmware working on the display


19. Power 24v 7A (separate for heated bed - external MOSFET) / 5V 2A for Nextion and three Fans / 12V 1A for Arduino and Fans / 24V 4A for motor Drivers and Hotend.

Power connections


20. Top.

Top view of the 3D printer


21. Fan x2.

Fan near an AAA battery


22. Feeder x2.

Feeder structure


23. Hotend 24V 30W x2.

Hotend


24. Two colors printing (SBS).

Demo two color 3D printed model